Released date 2011/01/13 Revised date 2021/04/20
Category Limit Switch
Model AZ8111
Name AZ8111
Specification
Rating: 5A250VAC
Operating Force Max. (OF): 900g
Releasing Force Min. (RF): 150g
Pretravel Max. (PT): 1.5mm
Overtravel Min. (OT): 4.0mm
Movement Max. (MD): 1.0mm
Operating Position (OP): 26±0.8mm
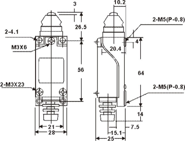
Dimensions

Related products
AZ7100 AZ7110 AZ7120 AZ7121 AZ7124 AZ7140 AZ7141 AZ7144 AZ7166 AZ7310 AZ7311 AZ7312 AZ8104 AZ8107 AZ8108 AZ8111 AZ8112 AZ8122 AZ8166 AZ8169 AZ8200 LL-5101 LL-5102 LL-5104 LL-5106 LL-5107 LL-5108